Усилитель JLH1969M: даёшь форсаж до 20 В/мкс
Попытка собрать популярную схему усилителя JLH1969 с полевыми транзисторами IRFP250N на выходе. Обнадёживающие характеристики и… провал в конечном итоге.
Замена игрока: слушаем дешёвые TIP35C.
Нестандартное применение компьютерного сетевого кабеля.
Обзор рассчитан на подготовленного читателя.
1. Intro
Захотелось бабе новое корыто. Нет, не так.
Захотелось мне послушать вариант JLH1969 с полевыми транзисторами IRFP250N на выходе.
Али предлагает набор за символическую цену 1000 рублей.
Приходит это чудо в виде пригоршни деталей для самостоятельной сборки:
Печатные платы:
Чёрная маска выглядит понтово, но дорожки под ней трудно различимы.
Плюс ко всему платы отличаются: правая и левая. Как по мне, лучше бы две одинаковые.
Ну не покупать же два таких набора? ))
Прежде, чем браться за паяльник, потратил время на симулятор.
Конечно, я сразу снизил усиление до Ку=10 и поставил номиналы, близкие к оригиналу.
IRFP250N в списке транзисторов не оказалось, пришлось подобрать близкий по параметрам (крутизна, входная ёмкость и др.) BUZ12.
Режим выходного каскада по постоянке здесь и далее одинаковый 20В 2А.
Симулятор предсказал THD=0,12% (5V RMS на нагрузку 4 Ом) и частоту 1,15 МГц (-3дБ):

Ещё один момент: истоковые резисторы R11, R12 стоят вплотную друг к другу и буквально греют друг друга:
При 2А тепловыделение на каждом 2Вт. Это перебор.
А с учётом их тесного расположения — тем более.
Поэтому было решено проверить схему с номиналами 0,25 Ом и 0,22 Ом.
Полезные ссылки:
JLH — усилитель Джона Линсли-Худа (John Linsley-Hood)
Термостабильный усилитель Худа на германиевых транзисторах
2. Форсирование
… выполняется просто: ток коллектора Q1 увеличен в 3 раза.
Для этого достаточно уменьшить в 3 раза R1, R11, R12:
Что получается в результате?
Частота увеличилась почти в два раза (до 2,2 МГц):
А коэффициент гармоник снизился до 0,045%:
Вот с такими оптимистичными прогнозами я взялся за паяльник.
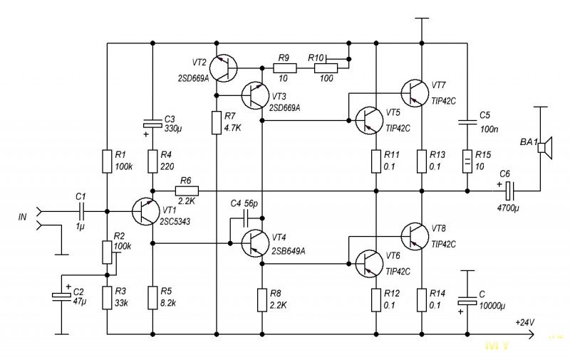
С учётом изменений схема получилась следующая:
Позиции в схеме соответствуют обозначениям на печатных платах.
зы Вместо полевых транзисторов нарисованы биполярные, так что просьба не ругать сильно. ))
Элементы, которых НЕ коснулись изменения:
— все транзисторы
— резисторы в цепях затворов R2 и R4
— VR1, R1, R6, R8, R10
Т.е. эти детали можно использовать из набора.
Переменный резистор VR2 заменён на 2,2кОм: этого достаточно, а регулирование получается не такое грубое, как с комплектным 10кОм.
3. Проверка различных истоковых резисторов
Для начала была собрана только одна плата с истоковыми резисторами 0,5 Ом:
Кг без нагрузки:
Кг с нагрузкой 4 Ом:

Истоковые резисторы 0,25 Ом, которые были протестированы в предыдущем обзоре:


Клиппинг получается +-8 В:
Т.е. максимум 8 Вт на 4 Ом.
Резисторы 0,22 Ом:
6,25 Вт:
1 Вт:
Позже номинал 0,22 Ом был запаян на обеих платах:

Ну и самое интересное. Скорость нарастания выходного напряжения (ака SR):
Апериодический процесс, возникающий по заднему фронту, говорит о низкой устойчивости усилителя и склонности к самовозбуждению.
Для улучшения ситуации была установлена ёмкость параллельно R7:
Были проверены номиналы 22пФ, 33пФ, 47пФ.
В своих платах я запаял именно 33пФ.
IMD на нагрузку 4 Ом:

4. Epic fail (ака большой облом)
Оставалось совсем немного: запихнуть платы в корпус и придумать блок питания:


Усё! Можно бы послушать в кайф. Но всплыла одна неприятная особенность:
схема аномально ловит всякие наводки и помехи!
Потратив какое-то время на борьбу с ветряными мельницами, я грязно выругался и… решил отказаться от полевых транзисторов и вернуть схему к исходному состоянию (т.е. с биполярными транзисторами на выходе), оставив форсированный каскад.
5. Шаг обратно
Поскольку 2sc5200 оказались израсходованы, пришлось использовать транзисторы TIP35C:
Корпус у них TO247, т.е 1в1 как у полевиков.
По закону подлости, коэффициент передачи по току у всех TIP35C оказался около 45. ((
Естественно, резисторы R2 и R4 220 Ом были заменены перемычками:
А вот 0,22 Ом остались как есть.
Поскольку в доме завелисьмыши колонки E60, захотелось собрать схему именно для 8-омной нагрузки.
Согласно рекомендациям Худа, для 8 Ом требуется питание 27В и ток покоя 1,2А:

При первом включении от 27В начал дымится R1 100 Ом, который остался от версии с полевиками.
Не удивительно: транзисторы TIP35C с их h21э=45 потребовали бОльший базовый ток.
После подбора и замеров определил, что R1+R2 д.б. около 300 Ом и общей мощностью 0,56Вт.
Поэтому на место R1 встал резистор 220 Ом 1Вт, а VR2 был заменён на 220 Ом.
Ток покоя был увеличен до 1,37А.
Благодаря резисторам 0,22 Ом цепях эмиттеров ток покоя стабилизируется лучше, чем при их отсутствии.
После изменений платы были помещены обратно в корпус:
Около резисторов 0,22 Ом можно заметить серые 1Вт резисторы 220 Ом.
Чтобы не мучиться с организацией питания в компактном корпусе, я в очередной раз слентяйничал и по быстрому собрал внешний БП на 27В в пластиковом корпусе:
Внутри закреплён доработанный импульсник на 24В из недавнего проекта (тогда не удалось его запрессовать в аналогичный корпус). Не пропадать же добру.
Регулировка выходного напряжения позволила без труда установить 27В.
Рядом с импульсником поместился дроссель на 400 мкГн: с ним схема Худа работает получше.
Для соединения корпуса усилителя и блока питания используется компьютерный кабель мама-папа
из недавнего обзора:
Это не совсем правильно, но мне так захотелось.
Внешне всё это выглядит вот так:

Блок питания:

Усилитель вообще не имеет никаких органов управления на передней панели:
На задней панели только два предохранителя и разъёмы.
6. И снова замеры
Понятное дело, что все замеры, выполненные для варианта с полевиками, пошли вкорзину архив.
Пришлось почти всё повторить, но уже для нагрузки 8 Ом.
Порог клиппинга:
Клиппинг:
Т.е. усилитель честно выдаёт 10 Вт на канал при нагрузке 8 Ом.
Скорость нарастания — 20 В/мкс:
Выброс на переходной характеристике — с генератора.
THD при 8 Вт на выходе:

THD при 5 Вт на выходе:

THD при 3 Вт на выходе:

THD при 1 Вт на выходе:
Везде доминирует вторая (чётная) гармоника. Даже не ожидал такого увидеть. ))
Ну и конечно же АЧХ:
Ничего интересного.
7. Прослушивание и выводы
Сетап для прослушивания:
плеер Asus -> SMSL 1955+ -> JLH1969M (27V) -> JBL E60
Звучание 8-ми омной версии JLH1969M мне понравилось больше, чем предыдущие версии, которые были для 4-х омной акустики.
Теперь в планах перетряхнуть предыдущий усилитель на 27В (в нём запаяны 2sc5200).
Высоких частот субъективно очень много. Но это заслуга тюнингованого ЦАПа и шестидесяток.
На записях, сделанных не глухим режиссёром, избытка ВЧ не наблюдается, всё нормально. ))
Мощности усилителя вполне достаточно, чтобы послушать в кайф.
Хотелось бы конечно заменить блок питания на правильный трансформаторный, но за неимением подходящего трансформатора это произойдёт не скоро.
А транзисторы TIP35C мне понравились! Они показали себя просто превосходно.
Всем удачных экспериментов!
Замена игрока: слушаем дешёвые TIP35C.
Нестандартное применение компьютерного сетевого кабеля.
Обзор рассчитан на подготовленного читателя.
1. Intro
Захотелось мне послушать вариант JLH1969 с полевыми транзисторами IRFP250N на выходе.
Али предлагает набор за символическую цену 1000 рублей.
Приходит это чудо в виде пригоршни деталей для самостоятельной сборки:
Печатные платы:
Чёрная маска выглядит понтово, но дорожки под ней трудно различимы.Плюс ко всему платы отличаются: правая и левая. Как по мне, лучше бы две одинаковые.
Ну не покупать же два таких набора? ))
Прежде, чем браться за паяльник, потратил время на симулятор.
Конечно, я сразу снизил усиление до Ку=10 и поставил номиналы, близкие к оригиналу.
IRFP250N в списке транзисторов не оказалось, пришлось подобрать близкий по параметрам (крутизна, входная ёмкость и др.) BUZ12.
Режим выходного каскада по постоянке здесь и далее одинаковый 20В 2А.Симулятор предсказал THD=0,12% (5V RMS на нагрузку 4 Ом) и частоту 1,15 МГц (-3дБ):

Ещё один момент: истоковые резисторы R11, R12 стоят вплотную друг к другу и буквально греют друг друга:
При 2А тепловыделение на каждом 2Вт. Это перебор.А с учётом их тесного расположения — тем более.
Поэтому было решено проверить схему с номиналами 0,25 Ом и 0,22 Ом.
Полезные ссылки:
JLH — усилитель Джона Линсли-Худа (John Linsley-Hood)
Термостабильный усилитель Худа на германиевых транзисторах
2. Форсирование
… выполняется просто: ток коллектора Q1 увеличен в 3 раза.
Для этого достаточно уменьшить в 3 раза R1, R11, R12:
Что получается в результате?Частота увеличилась почти в два раза (до 2,2 МГц):
А коэффициент гармоник снизился до 0,045%:
Вот с такими оптимистичными прогнозами я взялся за паяльник.С учётом изменений схема получилась следующая:
Позиции в схеме соответствуют обозначениям на печатных платах.зы Вместо полевых транзисторов нарисованы биполярные, так что просьба не ругать сильно. ))
Элементы, которых НЕ коснулись изменения:
— все транзисторы
— резисторы в цепях затворов R2 и R4
— VR1, R1, R6, R8, R10
Т.е. эти детали можно использовать из набора.
Переменный резистор VR2 заменён на 2,2кОм: этого достаточно, а регулирование получается не такое грубое, как с комплектным 10кОм.
3. Проверка различных истоковых резисторов
Для начала была собрана только одна плата с истоковыми резисторами 0,5 Ом:
Кг без нагрузки:
Кг с нагрузкой 4 Ом:
Истоковые резисторы 0,25 Ом, которые были протестированы в предыдущем обзоре:


Клиппинг получается +-8 В:
Т.е. максимум 8 Вт на 4 Ом.Резисторы 0,22 Ом:
6,25 Вт:
1 Вт:
Позже номинал 0,22 Ом был запаян на обеих платах:
Ну и самое интересное. Скорость нарастания выходного напряжения (ака SR):
Апериодический процесс, возникающий по заднему фронту, говорит о низкой устойчивости усилителя и склонности к самовозбуждению.Для улучшения ситуации была установлена ёмкость параллельно R7:
Были проверены номиналы 22пФ, 33пФ, 47пФ.В своих платах я запаял именно 33пФ.
IMD на нагрузку 4 Ом:

4. Epic fail (ака большой облом)
Оставалось совсем немного: запихнуть платы в корпус и придумать блок питания:


Усё! Можно бы послушать в кайф. Но всплыла одна неприятная особенность:
схема аномально ловит всякие наводки и помехи!
Потратив какое-то время на борьбу с ветряными мельницами, я грязно выругался и… решил отказаться от полевых транзисторов и вернуть схему к исходному состоянию (т.е. с биполярными транзисторами на выходе), оставив форсированный каскад.
5. Шаг обратно
Поскольку 2sc5200 оказались израсходованы, пришлось использовать транзисторы TIP35C:
Корпус у них TO247, т.е 1в1 как у полевиков.По закону подлости, коэффициент передачи по току у всех TIP35C оказался около 45. ((
Естественно, резисторы R2 и R4 220 Ом были заменены перемычками:
А вот 0,22 Ом остались как есть.Поскольку в доме завелись
Согласно рекомендациям Худа, для 8 Ом требуется питание 27В и ток покоя 1,2А:

При первом включении от 27В начал дымится R1 100 Ом, который остался от версии с полевиками.
Не удивительно: транзисторы TIP35C с их h21э=45 потребовали бОльший базовый ток.
После подбора и замеров определил, что R1+R2 д.б. около 300 Ом и общей мощностью 0,56Вт.
Поэтому на место R1 встал резистор 220 Ом 1Вт, а VR2 был заменён на 220 Ом.
Ток покоя был увеличен до 1,37А.Благодаря резисторам 0,22 Ом цепях эмиттеров ток покоя стабилизируется лучше, чем при их отсутствии.
После изменений платы были помещены обратно в корпус:
Около резисторов 0,22 Ом можно заметить серые 1Вт резисторы 220 Ом.Чтобы не мучиться с организацией питания в компактном корпусе, я в очередной раз слентяйничал и по быстрому собрал внешний БП на 27В в пластиковом корпусе:
Внутри закреплён доработанный импульсник на 24В из недавнего проекта (тогда не удалось его запрессовать в аналогичный корпус). Не пропадать же добру.Регулировка выходного напряжения позволила без труда установить 27В.
Рядом с импульсником поместился дроссель на 400 мкГн: с ним схема Худа работает получше.
Для соединения корпуса усилителя и блока питания используется компьютерный кабель мама-папа
из недавнего обзора:
Это не совсем правильно, но мне так захотелось.Внешне всё это выглядит вот так:

Блок питания:
Усилитель вообще не имеет никаких органов управления на передней панели:
На задней панели только два предохранителя и разъёмы.6. И снова замеры
Понятное дело, что все замеры, выполненные для варианта с полевиками, пошли в
Пришлось почти всё повторить, но уже для нагрузки 8 Ом.
Порог клиппинга:
Клиппинг:
Т.е. усилитель честно выдаёт 10 Вт на канал при нагрузке 8 Ом.Скорость нарастания — 20 В/мкс:
Выброс на переходной характеристике — с генератора.THD при 8 Вт на выходе:

THD при 5 Вт на выходе:

THD при 3 Вт на выходе:

THD при 1 Вт на выходе:
Везде доминирует вторая (чётная) гармоника. Даже не ожидал такого увидеть. ))Ну и конечно же АЧХ:
Ничего интересного.7. Прослушивание и выводы
Сетап для прослушивания:
плеер Asus -> SMSL 1955+ -> JLH1969M (27V) -> JBL E60
Звучание 8-ми омной версии JLH1969M мне понравилось больше, чем предыдущие версии, которые были для 4-х омной акустики.
Теперь в планах перетряхнуть предыдущий усилитель на 27В (в нём запаяны 2sc5200).
Высоких частот субъективно очень много. Но это заслуга тюнингованого ЦАПа и шестидесяток.
На записях, сделанных не глухим режиссёром, избытка ВЧ не наблюдается, всё нормально. ))
Мощности усилителя вполне достаточно, чтобы послушать в кайф.
Хотелось бы конечно заменить блок питания на правильный трансформаторный, но за неимением подходящего трансформатора это произойдёт не скоро.
А транзисторы TIP35C мне понравились! Они показали себя просто превосходно.
Всем удачных экспериментов!
Самые обсуждаемые обзоры
| +307 |
9398
197
|
| +109 |
5390
125
|
| +92 |
3433
65
|
| +88 |
3332
62
|
Вмести с ним «прожарился» VR2, который был накручен на 200 ом примерно.
Генерация там м.б. на десятках и чуть ли не сотнях МГц, а скоп там — на номинальные 60, да и не факт, что автор вообще заводил его на нужных развёртках и верт. чувствительности.
«Автор должен» — вот это самый настоящий миф)
Полевики неправильные применены. Вот и вся проблема
Можно сказать, автор добился 1го из критериев аудиофильства: проводки и детали влияют на результат)
Это факт. Можете спорить хоть до посинения.
И теперь любой желающий может повторить схему и не набивать шишки.
Длина проводов тут не при чём.
А блок питания станет при этом станет в 2 раза крупнее. ))
Монтаж не понравился, провода длинные, сигнальные не экранированные. Сейчас не проблема найти экранированные провода с фторопластовой изоляцией. Можно симметричный применить, экран припаять только с одной стороны. Поискать общую точку по минусовому проводу. Может я не прав, извините.
Сигнал сильный (с ЦАПа). Можно и с экраном, но это избыточно, т.к. корпус алюминиевый и соединён с нулём схемы. Т.е. по сути корпус=экран.
Транзисторы на несвитых проводах да ещё и с эмиттерными резисторами на прищепках — запрещались ещё в журнале Радио 80х годов…
Но использовать его в качестве блока питания к усилителю не планировалось.
Хочу в свободное время сваять ЛУТом :-) но не готов проектировать плату самостоятельно, а ошибок хочу избежать.
И в параллель, есть ли ссылка на какой нибудь букварь по правильной трассировке и принципам грамотной топологии печатных плат аудиоусилителей? Ликбез хочу себе провести.
Но они двухсторонние.
Имхо, проще купить на али, чем заниматься самостоятельным изготовлением.
В покое я так понял — около 36 ВТ на канал ( при токе покоя 1,37А на 27 Вольт)
P.S. Плюс за обзор — я бы на такое не решился )
Для тепловых расчётов можно использовать цифру 74 Вт.